

Taklock Ersatzteile bei uns im Shop:
Teilesatz Hebel
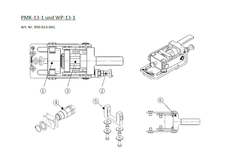
Passend für: PMK-13-1 (Art.Nr. 950-013-041 Position Nr. 6)

Warum Taklock?
Effiziente und präzise Arbeiten werden mit speziellen Anbaugeräten verichtet. Damit das Wechseln der Anbaugeräte genau so effizient und präzise abläuft, bieten wir dir die Taklock Multikupplung.

Vorteile
- Individuelle Belegung je nach Anbaugerät
- Geringes Zusatzgewicht
- Sehr leichte Montage
- Einsatz von hydraulischen Hämmern uneingeschränkt möglich
- Tropffreie Kupplungen ermöglichen Arbeiten in sensiblen Gebieten